Engine Oiling for 2006 Jeep Grand Cherokee

Vehicle

2006 Jeep Grand Cherokee

Change Vehicle

Categories

Browse Categories
Engine Oiling for 2006 Jeep Grand Cherokee #0
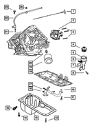
No.
Part # / Description / Price
Price
N/A
Double Ended Stud, Mounting
Mopar Mopar
Description: M6x1.00x51.90. Oil Fill Housing To Cylender Block. Oil Fill Housing Mounting. Chain Case Cover. M6x1.00x51.9.
2
Engine Oil Pump
Mopar Mopar
MSRP $359.00
$242.82
MSRP $359.00
$242.82
3
Hex Flange Head Bolt, Mounting
Mopar Mopar
Description: Timing Chain Guide To Cylinder Block. M8x1.25x60.00. Primary Tensioner to Engine Block. Oil Pump Mounting. Oil Pump To Engine Block.
7
Oil Fill Housing Gasket
Mopar Mopar
MSRP $16.90
$12.10
MSRP $16.90
$12.10
8
Hex Flange Head Bolt, Mounting
Mopar Mopar
Description: Oil Filler Housing Mounting. M6x1.00x27.00. [m10x1.50x60.00]. Oil Fill Housing Attaching. Fuel Rail to Cylinder Block. Housing To Cylinder Block.
10
Oil Pick Up Tube Seal
Mopar Mopar
Notes: Engines: 6.1L V8 SRT HEMI ENGINE. ALL 4.7L V8 ENGINES. All 5.7L 8Cyl Gas Engines. ALL V6 ENGINES.
Description: Included With Long Block Engine Install Kit. [0.924 x 0.103]. Mega Cab. Oil Pickup Tube To Cylinder Block. Quad Cab LWB. Quad Cab SWB.
MSRP $7.70
$5.51
MSRP $7.70
$5.51
11
Hex Head Bolt And Coned Washer, Mounting
Mopar Mopar
Notes: Engines: 6.1L V8 SRT HEMI ENGINE. ALL 4.7L V8 ENGINES. All 5.7L 8Cyl Gas Engines. ALL V6 ENGINES.
Description: Oil Filter Adapter To Cylinder Block. Mega Cab. Pickup To Cylinder Block. Pick Up Tube To Engine Block. [M8x1.25x27.00]. Oil Pickup Tube to Engine. Oil Pick Up Tube To Engine. Quad Cab. Regular Cab.
MSRP $2.95
$2.06
MSRP $2.95
$2.06
12
Stud, Mounting
Mopar Mopar
Description: M6.3x1.81x15.00. Mega Cab. Oil Pickup Tube To Cylinder Block. Oil Pick Up Tube. Oil Pan To Engine Block. [M6x1.00x36.97]. Quad Cab. Regular Cab.
MSRP $5.20
$3.69
MSRP $5.20
$3.69
13
Engine Oil Pan
Mopar Mopar
Description: Includes 15. Includes Plug.
14
Hex Head Bolt And Coned Washer, Mounting
Mopar Mopar
Description: Fuel Rail to Cylinder Block. Dust Cover to Oil Pan. M6x1.00x20.00. Manifold to Cover. Lower Cover to Transmission Bell Housing. Intake Manifold Cover. Oil Level Indictor Tube To Block. Oil Pan To Block. Mounting Oil Level Indicator Tube To Cylinder Block.
MSRP $3.45
$2.42
MSRP $3.45
$2.42
15
Oil Drain Plug
Mopar Mopar
Description: [m14x1.50x21.50]. Mega Cab. M14x1.5x20.0.
16
Hex Lock Nut, Mounting
Mopar Mopar
Notes: Engines: 6.1L V8 SRT HEMI ENGINE. ALL 4.7L V8 ENGINES. All 5.7L 8Cyl Gas Engines. ALL V6 ENGINES.
MSRP $9.20
$6.66
MSRP $9.20
$6.66
18
Oil Pan Gasket
Mopar Mopar
MSRP $151.00
$103.67
MSRP $151.00
$103.67
19
Engine Oil Filter
Mopar Mopar
Notes: Engines: 6.1L V8 SRT HEMI ENGINE. ALL 4.7L V8 ENGINES. All 5.7L 8Cyl Gas Engines.
Description: See Note. [3/4-16] With Engine Production Part Number 04892603AA Or 04892480AA.
MSRP $11.15
$8.05
MSRP $11.15
$8.05
20
Oil Filter Connector
Mopar Mopar
Description: OIL FILTER (4.0L) MJ-XJ
MSRP $17.00
$12.22
MSRP $17.00
$12.22
21
Engine Oil Indicator Tube O Ring
Mopar Mopar
Notes: Engines: 6.1L V8 SRT HEMI ENGINE. ALL 4.7L V8 ENGINES. All 5.7L 8Cyl Gas Engines. ALL V6 ENGINES.
Description: Included With Long Block Engine Install Kit. Mega Cab. Quad Cab LWB. Quad Cab SWB.
MSRP $15.20
$11.01
MSRP $15.20
$11.01
24
Hex Nut And Washer
Mopar Mopar
Notes: Engines: 6.1L V8 SRT HEMI ENGINE. ALL 4.7L V8 ENGINES. All 5.7L 8Cyl Gas Engines. ALL V6 ENGINES.
MSRP $4.45
$3.15
MSRP $4.45
$3.15