Cylinder Block for 2006 Jeep Grand Cherokee

Vehicle

2006 Jeep Grand Cherokee

Change Vehicle

Categories

Browse Categories
Cylinder Block for 2006 Jeep Grand Cherokee #0
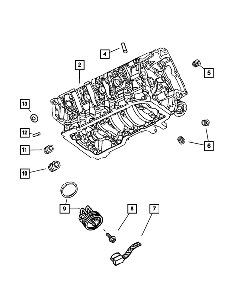
No.
Part # / Description / Price
Price
N/A
Long Block Engine, Remanufactured 1
Mopar Mopar
Description: SERVICE WARNING: If The Orginal Engine Has Experiencd A Catastrophic Failure - Including Piston, Cylinder Bore, Valve, or Valve Seat Failure - The Intake Manifold Must Be Replaced With A New Manifold. An Updated Cylinder Head With A EGR Vale Hole May Be Re ...
MSRP $8,070.00
$6,748.00
MSRP $8,070.00
$6,748.00
N/A
Engine Lower Gasket Package
Mopar Mopar
Description: See Notes. Lower.
2
Short Block Engine, Remanufactured 1
Mopar Mopar
Notes: Engines: 5.7L V8 HEMI MDS ENGINE.
Description: SERVICE WARNING: If The Orginal Engine Has Experienced A Catastrophic Failure - Including Piston, Cylinder Bore, Valve, or Valve Seat Failure - The Intake Manifold Must Be Replaced With A New Manifold. SERVICE WARNING: If The Orginal Engine Has Experiencd A Catastrophic Failure - Including Piston, Cylinder Bore, Valve, or Valve Seat Failure - The Intake Manifold Must Be Replaced With A New Manifold.
4
Dowel Pin, Mounting
Mopar Mopar
Notes: Engines: 6.1L V8 SRT HEMI ENGINE. ALL 4.7L V8 ENGINES. All 5.7L 8Cyl Gas Engines. ALL V6 ENGINES.
Description: All Plugs And Dowel Pins Must Be Installed On Cylinder Block Before Installing Engine. Item 13 Also Contained in Short Block Engine Kit. Mega Cab. Cylinder Block To Transaxle. Block To Transmission. Cylinder Block To Head. Engine Block To Clutch Housing.
MSRP $37.80
$27.12
Sold in Pack of 4
MSRP $37.80
$27.12
Sold in Pack of 4
5
Cylinder Block Plug
Mopar Mopar
Notes: Engines: 6.1L V8 SRT HEMI ENGINE. All 5.7L 8Cyl Gas Engines.
Description: Oil Galley Block Off. Mega Cab. [.375x18x1.343]. Oil Gallery Block Off. [.375-18x1.343]. [.375x18x 1.343]. Lifter Gallery. [.375x18x1.34].
MSRP $39.00
$27.84
Sold in Pack of 4
MSRP $39.00
$27.84
Sold in Pack of 4
6
Hex Socket Plug
Mopar Mopar
Notes: Engines: 4.7L V8 MPI ENGINE. 6.1L V8 SRT HEMI ENGINE. ALL 4.7L V8 ENGINES. All 5.7L 8Cyl Gas Engines. ALL V6 ENGINES.
Description: SEAL.FEAT
MSRP $20.70
$14.88
Sold in Pack of 2
MSRP $20.70
$14.88
Sold in Pack of 2
7
Engine Block Heater Cord
Mopar Mopar
MSRP $102.00
$70.04
MSRP $102.00
$70.04
8
Hex Head Bolt, Mounting
Mopar Mopar
Description: M6x1.00x20.00. M6x1x20. Mega Cab. Cylinder Block Heater. Block Heater to Block. Quad Cab. Regular Cab.
MSRP $9.00
$6.47
MSRP $9.00
$6.47
9
Engine Block Heater
Mopar Mopar
Description: For 5.7L Engine.
10
Plug, Side
Mopar Mopar
Notes: Engines: 6.1L V8 SRT HEMI ENGINE. ALL 4.7L V8 ENGINES. All 5.7L 8Cyl Gas Engines.
Description: After 6/14/04. After 4/26/04. Mega Cab. Coolant Drain [.25x18x.69]. 0.250-18x.690. Cylinder Block Water Jacket Drain. Oil Gallery, Front. Right And Left Cylinder Block Coolant Drain.
MSRP $13.95
$10.04
MSRP $13.95
$10.04
11
Pipe Plug, Left Cylinder Head
Mopar Mopar
Notes: Engines: 6.1L V8 SRT HEMI ENGINE. All 5.7L 8Cyl Gas Engines.
Description: Oil Gallery In In Cylinder Head Valley. Also Serviced With Item 1. Chain Case Cover and. Also serviced wih Cover. Oil Gallery Block Off. [.375x18x.475]-. 375-18x.475. Cylinder Block Gallery. Water Jacket.
MSRP $4.70
$3.33
MSRP $4.70
$3.33
12
Block To Clutch Housing Dowel
Mopar Mopar
Notes: Engines: 6.1L V8 SRT HEMI ENGINE. ALL 4.7L V8 ENGINES. All 5.7L 8Cyl Gas Engines. ALL V6 ENGINES.
Description: Cylinder Block to Clutch Housing. Block To Head. [.25x.75]. Or Transmission Housing. Block To Transmission. 1/2 x 3/4.
MSRP $25.00
$17.78
Sold in Pack of 2
MSRP $25.00
$17.78
Sold in Pack of 2
13
Camshaft Plug, Rear
Mopar Mopar
Notes: Engines: 6.1L V8 SRT HEMI ENGINE. All 5.7L 8Cyl Gas Engines.
Description: [m47.93 od 6.4 thk 51.5 flg od]. Lifter Yoke To Cylinder Block. Mega Cab. Camshaft. [.415x.28].
MSRP $77.60
$55.68
Sold in Pack of 8
MSRP $77.60
$55.68
Sold in Pack of 8
1 This price excludes a refundable manufacturer's core charge. Add the part to your cart to see the core charge.