Cylinder Block for 2015 Jeep Grand Cherokee
Vehicle
2015 Jeep Grand Cherokee
Change Vehicle
Categories
- Camshaft and Valve
- Crankcase Ventilation
- Crankshaft, Piston, Drive Plate, Flywheel, and Damper
- Cylinder Block
- Cylinder Head
- Engine Identification, Service Engines & Engine Service Kits
- Engine Mounting
- Engine Oiling, Oil Pan and Indicator (Dipstick)
- Manifolds and Vacuum Fittings
- Timing Belt/Chain and Cover and Balance Shaft
- Camshaft and Valve
- Crankshaft, Piston, Drive Plate, Flywheel, and Damper
- Cylinder Block
- Cylinder Head
- Engine Identification, Service Engines & Engine Service Kits
- Engine Mounting
- Engine Oiling, Oil Pan and Indicator (Dipstick)
- Manifolds and Vacuum Fittings
- Timing Belt/Chain and Cover and Balance Shaft
- Turbo and Super Chargers
- Battery, Battery Tray and Cables
- Generators / Alternators
- Horns
- Ignition - Spark Plugs, Cables, Coils, and Glow Plugs
- Instrument Panel Cluster
- Keys, Modules and Engine Controllers
- Lamps-Interior and Exterior
- Navigation
- Park Assist
- Power Distribution Center, Fuse Block, Junction Block, Relays and Fuses
- Radio, Antenna, Speakers, DVD, and Video systems
- Sensors
- Speed Control
- Starters
- Switches
- Wiper and Washer System
- Wiring and Repair
- Wiring-Body and Accessories
- Wiring-Headlamp to Dash
- Wiring-Instrument Panel
- Wiring-Powertrain
- Carpets, Floor Mats, Load Floor, and Silencers
- Consoles
- Door Trim Panels-Front and Rear
- Front Seats - Adjusters, Recliners, Shields and Risers
- Front Seats - First Row
- Headliners-Visors-Assist Straps
- Instrument Panel
- Lift Gate Panel and Scuff Plate
- Panels-Moldings-Scuff Plates, Pillar, Cowl, 1/4 Panel Trim and Cargo Covers
- Rear Seats - Second Row
- Camshaft and Valve
- Crankcase Ventilation
- Crankshaft, Piston, Drive Plate, Flywheel, and Damper
- Cylinder Block
- Cylinder Head
- Engine Identification, Service Engines & Engine Service Kits
- Engine Mounting
- Engine Oiling, Oil Pan and Indicator (Dipstick)
- Manifolds and Vacuum Fittings
- Timing Belt/Chain and Cover and Balance Shaft
- Camshaft and Valve
- Crankshaft, Piston, Drive Plate, Flywheel, and Damper
- Cylinder Block
- Cylinder Head
- Engine Identification, Service Engines & Engine Service Kits
- Engine Mounting
- Engine Oiling, Oil Pan and Indicator (Dipstick)
- Manifolds and Vacuum Fittings
- Timing Belt/Chain and Cover and Balance Shaft
- Turbo and Super Chargers
- Battery, Battery Tray and Cables
- Generators / Alternators
- Horns
- Ignition - Spark Plugs, Cables, Coils, and Glow Plugs
- Instrument Panel Cluster
- Keys, Modules and Engine Controllers
- Lamps-Interior and Exterior
- Navigation
- Park Assist
- Power Distribution Center, Fuse Block, Junction Block, Relays and Fuses
- Radio, Antenna, Speakers, DVD, and Video systems
- Sensors
- Speed Control
- Starters
- Switches
- Wiper and Washer System
- Wiring and Repair
- Wiring-Body and Accessories
- Wiring-Headlamp to Dash
- Wiring-Instrument Panel
- Wiring-Powertrain
- Carpets, Floor Mats, Load Floor, and Silencers
- Consoles
- Door Trim Panels-Front and Rear
- Front Seats - Adjusters, Recliners, Shields and Risers
- Front Seats - First Row
- Headliners-Visors-Assist Straps
- Instrument Panel
- Lift Gate Panel and Scuff Plate
- Panels-Moldings-Scuff Plates, Pillar, Cowl, 1/4 Panel Trim and Cargo Covers
- Rear Seats - Second Row
Browse Categories
Select category
- Camshaft and Valve
- Crankcase Ventilation
- Crankshaft, Piston, Drive Plate, Flywheel, and Damper
- Cylinder Block
- Cylinder Head
- Engine Identification, Service Engines & Engine Service Kits
- Engine Mounting
- Engine Oiling, Oil Pan and Indicator (Dipstick)
- Manifolds and Vacuum Fittings
- Timing Belt/Chain and Cover and Balance Shaft
- Camshaft and Valve
- Crankshaft, Piston, Drive Plate, Flywheel, and Damper
- Cylinder Block
- Cylinder Head
- Engine Identification, Service Engines & Engine Service Kits
- Engine Mounting
- Engine Oiling, Oil Pan and Indicator (Dipstick)
- Manifolds and Vacuum Fittings
- Timing Belt/Chain and Cover and Balance Shaft
- Turbo and Super Chargers
- Battery, Battery Tray and Cables
- Generators / Alternators
- Horns
- Ignition - Spark Plugs, Cables, Coils, and Glow Plugs
- Instrument Panel Cluster
- Keys, Modules and Engine Controllers
- Lamps-Interior and Exterior
- Navigation
- Park Assist
- Power Distribution Center, Fuse Block, Junction Block, Relays and Fuses
- Radio, Antenna, Speakers, DVD, and Video systems
- Sensors
- Speed Control
- Starters
- Switches
- Wiper and Washer System
- Wiring and Repair
- Wiring-Body and Accessories
- Wiring-Headlamp to Dash
- Wiring-Instrument Panel
- Wiring-Powertrain
- Carpets, Floor Mats, Load Floor, and Silencers
- Consoles
- Door Trim Panels-Front and Rear
- Front Seats - Adjusters, Recliners, Shields and Risers
- Front Seats - First Row
- Headliners-Visors-Assist Straps
- Instrument Panel
- Lift Gate Panel and Scuff Plate
- Panels-Moldings-Scuff Plates, Pillar, Cowl, 1/4 Panel Trim and Cargo Covers
- Rear Seats - Second Row
- Camshaft and Valve
- Crankcase Ventilation
- Crankshaft, Piston, Drive Plate, Flywheel, and Damper
- Cylinder Block
- Cylinder Head
- Engine Identification, Service Engines & Engine Service Kits
- Engine Mounting
- Engine Oiling, Oil Pan and Indicator (Dipstick)
- Manifolds and Vacuum Fittings
- Timing Belt/Chain and Cover and Balance Shaft
- Camshaft and Valve
- Crankshaft, Piston, Drive Plate, Flywheel, and Damper
- Cylinder Block
- Cylinder Head
- Engine Identification, Service Engines & Engine Service Kits
- Engine Mounting
- Engine Oiling, Oil Pan and Indicator (Dipstick)
- Manifolds and Vacuum Fittings
- Timing Belt/Chain and Cover and Balance Shaft
- Turbo and Super Chargers
- Battery, Battery Tray and Cables
- Generators / Alternators
- Horns
- Ignition - Spark Plugs, Cables, Coils, and Glow Plugs
- Instrument Panel Cluster
- Keys, Modules and Engine Controllers
- Lamps-Interior and Exterior
- Navigation
- Park Assist
- Power Distribution Center, Fuse Block, Junction Block, Relays and Fuses
- Radio, Antenna, Speakers, DVD, and Video systems
- Sensors
- Speed Control
- Starters
- Switches
- Wiper and Washer System
- Wiring and Repair
- Wiring-Body and Accessories
- Wiring-Headlamp to Dash
- Wiring-Instrument Panel
- Wiring-Powertrain
- Carpets, Floor Mats, Load Floor, and Silencers
- Consoles
- Door Trim Panels-Front and Rear
- Front Seats - Adjusters, Recliners, Shields and Risers
- Front Seats - First Row
- Headliners-Visors-Assist Straps
- Instrument Panel
- Lift Gate Panel and Scuff Plate
- Panels-Moldings-Scuff Plates, Pillar, Cowl, 1/4 Panel Trim and Cargo Covers
- Rear Seats - Second Row
No.
Part # / Description / Price
Price
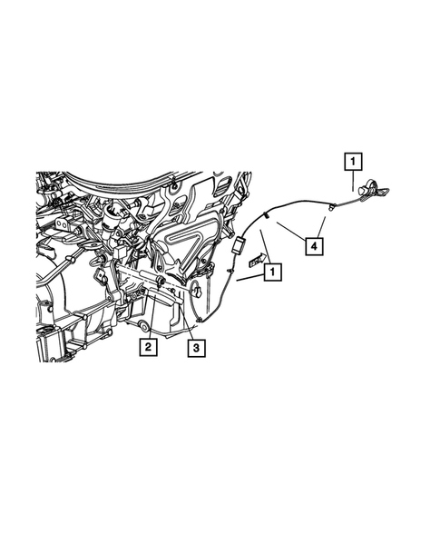
1
2
Engine Block Heater
Mopar
Mopar Notes: Engines: 3.0L V6 24V VVT ENGINE. 3.6L V6 24V VVT Engine.
Description: 2.7l. 3.5l.
MSRP $107.00
$72.68
MSRP $107.00
$72.68