Under Body Protection for 2022 Jeep Grand Wagoneer
Vehicle
2022 Jeep Grand Wagoneer
Change Vehicle
Categories
- Battery, Battery Tray and Cables
- Generators/Alternators
- Horns
- Ignition, Spark Plugs, Cables, Coils, and Glow Plugs
- Instrument Panel Cluster
- Keys, Modules and Engine Controllers
- Lamps, Interior and Exterior
- Park Assist
- Power Distribution, Fuse Block, Junction Block, Relays and Fuses
- Radio, Antenna, Speakers, DVD, and Video systems
- Sensors
- Speed Control
- Starters
- Switches
- Telecommunication
- Wiper and Washer System
- Wiring, Body and Accessories
- Wiring, Headlamp to Dash
- Wiring, Instrument Panel
- Wiring, Powertrain
- Camshaft and Valve
- Crankcase Ventilation
- Crankshaft, Piston, Drive Plate, Flywheel, and Damper
- Cylinder Block
- Cylinder Head
- Engine Identification, Service Engines & Engine Service Kits
- Engine Mounting
- Engine Oil Cooler
- Engine Oiling, Oil Pan and Indicator (Dipstick)
- Manifolds and Vacuum Fittings
- Timing Belt/Chain and Cover and Balance Shaft
- Carpets, Floor Mats, Load Floor, and Silencers
- Consoles
- Door Trim Panels - Front and Rear
- Front Seats - Adjusters, Recliners, Shields and Risers
- Front Seats - First Row
- Headliners - Visors - Assist Straps
- Instrument Panel
- Liftgate Panel and Scuff Plate
- Panels - Moldings - Scuff Plates, Pillar, Cowl, 1/4 Panel Trim and Cargo Covers
- Rear Seats - Second Row
- Rear Seats - Second Row Adjusters, Recliners, Shields and Risers
- Rear Seats - Third Row
- Rear Seats - Third Row Adjusters, Recliners, Shields and Risers
- Battery, Battery Tray and Cables
- Generators/Alternators
- Horns
- Ignition, Spark Plugs, Cables, Coils, and Glow Plugs
- Instrument Panel Cluster
- Keys, Modules and Engine Controllers
- Lamps, Interior and Exterior
- Park Assist
- Power Distribution, Fuse Block, Junction Block, Relays and Fuses
- Radio, Antenna, Speakers, DVD, and Video systems
- Sensors
- Speed Control
- Starters
- Switches
- Telecommunication
- Wiper and Washer System
- Wiring, Body and Accessories
- Wiring, Headlamp to Dash
- Wiring, Instrument Panel
- Wiring, Powertrain
- Camshaft and Valve
- Crankcase Ventilation
- Crankshaft, Piston, Drive Plate, Flywheel, and Damper
- Cylinder Block
- Cylinder Head
- Engine Identification, Service Engines & Engine Service Kits
- Engine Mounting
- Engine Oil Cooler
- Engine Oiling, Oil Pan and Indicator (Dipstick)
- Manifolds and Vacuum Fittings
- Timing Belt/Chain and Cover and Balance Shaft
- Carpets, Floor Mats, Load Floor, and Silencers
- Consoles
- Door Trim Panels - Front and Rear
- Front Seats - Adjusters, Recliners, Shields and Risers
- Front Seats - First Row
- Headliners - Visors - Assist Straps
- Instrument Panel
- Liftgate Panel and Scuff Plate
- Panels - Moldings - Scuff Plates, Pillar, Cowl, 1/4 Panel Trim and Cargo Covers
- Rear Seats - Second Row
- Rear Seats - Second Row Adjusters, Recliners, Shields and Risers
- Rear Seats - Third Row
- Rear Seats - Third Row Adjusters, Recliners, Shields and Risers
Browse Categories
Select category
- Battery, Battery Tray and Cables
- Generators/Alternators
- Horns
- Ignition, Spark Plugs, Cables, Coils, and Glow Plugs
- Instrument Panel Cluster
- Keys, Modules and Engine Controllers
- Lamps, Interior and Exterior
- Park Assist
- Power Distribution, Fuse Block, Junction Block, Relays and Fuses
- Radio, Antenna, Speakers, DVD, and Video systems
- Sensors
- Speed Control
- Starters
- Switches
- Telecommunication
- Wiper and Washer System
- Wiring, Body and Accessories
- Wiring, Headlamp to Dash
- Wiring, Instrument Panel
- Wiring, Powertrain
- Camshaft and Valve
- Crankcase Ventilation
- Crankshaft, Piston, Drive Plate, Flywheel, and Damper
- Cylinder Block
- Cylinder Head
- Engine Identification, Service Engines & Engine Service Kits
- Engine Mounting
- Engine Oil Cooler
- Engine Oiling, Oil Pan and Indicator (Dipstick)
- Manifolds and Vacuum Fittings
- Timing Belt/Chain and Cover and Balance Shaft
- Carpets, Floor Mats, Load Floor, and Silencers
- Consoles
- Door Trim Panels - Front and Rear
- Front Seats - Adjusters, Recliners, Shields and Risers
- Front Seats - First Row
- Headliners - Visors - Assist Straps
- Instrument Panel
- Liftgate Panel and Scuff Plate
- Panels - Moldings - Scuff Plates, Pillar, Cowl, 1/4 Panel Trim and Cargo Covers
- Rear Seats - Second Row
- Rear Seats - Second Row Adjusters, Recliners, Shields and Risers
- Rear Seats - Third Row
- Rear Seats - Third Row Adjusters, Recliners, Shields and Risers
- Battery, Battery Tray and Cables
- Generators/Alternators
- Horns
- Ignition, Spark Plugs, Cables, Coils, and Glow Plugs
- Instrument Panel Cluster
- Keys, Modules and Engine Controllers
- Lamps, Interior and Exterior
- Park Assist
- Power Distribution, Fuse Block, Junction Block, Relays and Fuses
- Radio, Antenna, Speakers, DVD, and Video systems
- Sensors
- Speed Control
- Starters
- Switches
- Telecommunication
- Wiper and Washer System
- Wiring, Body and Accessories
- Wiring, Headlamp to Dash
- Wiring, Instrument Panel
- Wiring, Powertrain
- Camshaft and Valve
- Crankcase Ventilation
- Crankshaft, Piston, Drive Plate, Flywheel, and Damper
- Cylinder Block
- Cylinder Head
- Engine Identification, Service Engines & Engine Service Kits
- Engine Mounting
- Engine Oil Cooler
- Engine Oiling, Oil Pan and Indicator (Dipstick)
- Manifolds and Vacuum Fittings
- Timing Belt/Chain and Cover and Balance Shaft
- Carpets, Floor Mats, Load Floor, and Silencers
- Consoles
- Door Trim Panels - Front and Rear
- Front Seats - Adjusters, Recliners, Shields and Risers
- Front Seats - First Row
- Headliners - Visors - Assist Straps
- Instrument Panel
- Liftgate Panel and Scuff Plate
- Panels - Moldings - Scuff Plates, Pillar, Cowl, 1/4 Panel Trim and Cargo Covers
- Rear Seats - Second Row
- Rear Seats - Second Row Adjusters, Recliners, Shields and Risers
- Rear Seats - Third Row
- Rear Seats - Third Row Adjusters, Recliners, Shields and Risers
No.
Part # / Description / Price
Price
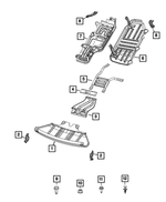
1
2
Skid Plate Bracket, Right
Mopar
Mopar Description: Front End Module Skid Plate Attaching.
MSRP $26.10
$18.82
MSRP $26.10
$18.82
2
Skid Plate Bracket, Left
Mopar
Mopar Description: Front End Module Skid Plate Attaching.
MSRP $26.10
$18.82
MSRP $26.10
$18.82
3
MSRP $88.85
$61.30
6
MSRP $337.00
$228.00
8
MSRP $39.05
$28.19
8
MSRP $38.95
$28.13
10
MSRP $6.70
$4.78
11
Hex Head Screw And Washer
Mopar
Mopar Description: Front Fascia Skid Plate To Frame Bracket. M10x1.5x40. Skid Plate to Mounting Bracket.
MSRP $4.70
$3.33
MSRP $4.70
$3.33